云开网页版登录入口_云开(中国)

推荐产品

金属硬密封蝶阀D343H型

2018-01-26 12:26:00 来源:本站 浏览:5555


【产品用途



【产品特点】

1、金属硬密封蝶阀采用三偏心密封结构,阀座与蝶板几乎无磨损,具有越观越紧的密封功能

2、密封圈选用不锈钢制作,具有金属硬密封和弹性密封的双重优点,无论在低温和高温的情况下,均具有优良的密封性能,具有耐腐蚀,使用寿命长等特点

3、蝶板密封面采用堆焊钴基硬质合金,密封面耐磨损,使用寿命长

4、大规格蝶板采用绗架结构,强度高,过流面积大,流阻小

5、金属硬密封蝶阀具有双向密封功能,安装时不受介质流向的限制,也不受空间位置的影响,可在任何方向安装

6、驱动装置可以多工位(旋转90°或180°)安装,便于用户使用


【执行标准】

设计规范:GB/T 12238

结构长度:GB/T 12221

法兰连接:GB/T 9113

试验与检验:GB/T 13927

产品标识:GB/T 12220


【性能参数】

型号

D343H-10

D343H-10P

D343H-10R

D343H-16

D343H-16P

D343H-16R

D343H-25

D343H-25P

D343H-25R

D343H-40

D343H-40P

D343H-40R

工作压力(MPa

1.0~4.0

适用温度(℃)

≤425

≤200

适用介质

水、油或非腐蚀性介质

硝酸类介质

醋酸类介质

材料

阀体、蝶板

WCB

CF8/304

CF3M/316L

阀杆

2Cr13

304

316L

阀体密封面

堆焊 507

蝶板密封面

304+柔性石墨

304PTFE

304PTFE

填料

柔性石墨

PTFE

PTFE

使用介质和温度

产品类型

适用介质

适用温度(

碳钢型(C

水、蒸汽、油、空气

≤300

合金钢型(I

蒸汽、油品

≤650

不锈钢高温型(P II

蒸汽、油品、酸类、海水

≤900

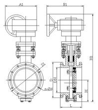
主要外形连接尺寸 单位:mm

公称通径DN

结构长度L

外形尺寸(参考值)

连接(标准值)

参考

H

Dt343H

PN0.6MPa

PN1.0MPa

重量Dt343H

mm

inch

H1

A1

B1

D

D1

z- d

D

D1

z- d

50

2

108

150

112

350

180

200

140

110

4-14

165

125

4-18

17

65

5/2

112

170

115

370

180

200

160

130

4-14

185

145

4-18

20

80

3

114

180

120

380

180

200

190

150

4-18

200

160

8-18

23

100

4

127

190

138

420

180

200

210

170

4-18

220

180

8-18

25

125

5

140

200

164

460

180

200

240

200

8-18

250

210

8-18

40

150

6

140

210

175

555

270

280

165

225

8-18

285

240

8-22

47

200

8

152

230

208

605

270

280

320

280

8-18

340

295

8-22

60

250

10

165

250

243

680

270

280

375

335

12-18

395

350

12-22

95

300

12

178

270

283

800

380

420

440

395

12-22

445

400

12-22

124

350

14

190

290

310

835

380

420

490

445

12-22

505

460

16-22

181

400

16

216

310

340

915

450

470

540

495

16-22

565

515

16-26

260

450

18

222

330

380

960

480

490

595

550

16-22

615

565

20-26

338

500

20

229

350

410

1020

480

490

645

600

20-22

670

620

20-26

360

600

24

267

390

470

1225

480

660

755

705

20-26

780

725

20-30

540

700

28

292

430

550

1355

640

660

860

810

24-26

895

840

24-30

580

800

32

318

470

640

1470

640

660

975

920

24-30

1015

950

24-33

845

900

36

330

510

710

1545

750

860

1075

1020

24-30

1115

1050

28-33

1050

1000

40

410

550

770

1795

850

860

1175

1120

28-30

1230

1160

28-36

1500

1200

48

470

630

890

1965

850

900

1405

1340

32-33

1455

1380

32-39

2000


下一篇:对悍式硬密封蝶阀D363H
万搏在线官网-万搏在线官网(中国) 云开·体育(中国)官方网站-yunkai SPORTS 华体会体育-足球篮球官方直播平台 万搏平台-万搏(中国)一站式服务平台 万搏体育-万搏体育(中国) 万搏官网-万搏(中国)一站式服务官网 万搏·体育-万搏(中国) 华体会体育平台官方网站-华体会(中国) 云开线上官网_云开(中国) 万搏体育-万搏体育(中国)